乐鱼·体育
乐鱼·体育-leyu乐鱼online(中国)
华工正源
+86-27-87180102
社交媒体
微信公众账号
手机站
乐鱼·体育-leyu乐鱼online(中国)
产品中心
有源产品
乐鱼·体育-leyu乐鱼online(中国)
乐鱼·体育
乐鱼·体育
媒体报道
行业资讯
图片专区
关于我们
公司简介
发展历程
乐鱼·体育
联系我们
人力资源
人才综述
校园招聘
社会招聘
科技引领生活
查看详情>>
乐鱼·体育
>
产品中心
>
有源产品
>
TSFP+系列
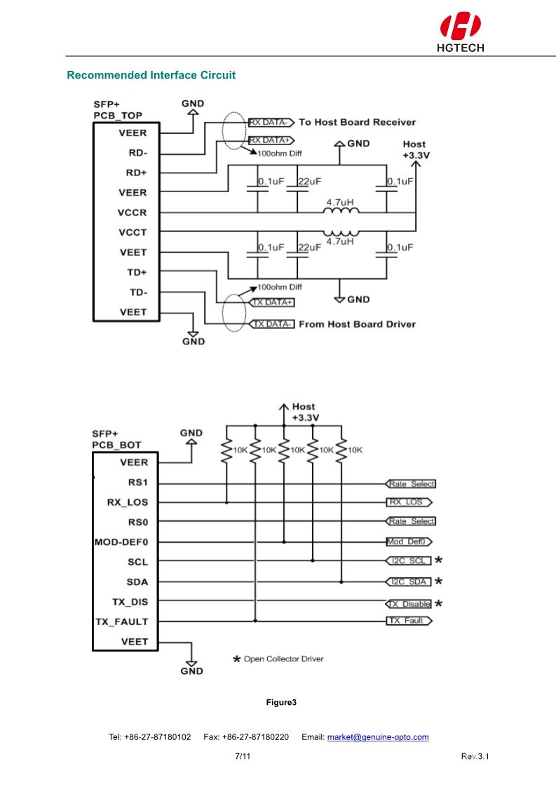
25G TSFP+ Transceiver
分享到:
更多
MTRA-3T33 is a high performance, cost effective modules, which is supporting Multi Rate 9.8304 Gbps to 25.78125Gbps, and transmission distance up to 10km on SM fiber.
在线订购
在线留言
联系我们
在线订购
订购信息提交成功!稍后客服人员会第一时间与您联系!
联系电话:0712-2650028 传 真:0712-2584937
产品模块:
25G TSFP+ Transceiver
订购信息:
验证码:
提交
重置
在线留言
在线留言提交成功!稍后客服人员会第一时间与您联系!
联系电话:0712-2650028 传 真:0712-2584937
类 别:
普通
合作
电子邮箱:
电 话:
QQ:
*
标题:
*
留言内容:
*
验证码:
提交
重置
产品服务
有源产品
SFP系列
SFP28系列
CFP系列
CFP2系列
10GPON系列
QSFP28系列
TSFP+系列
SFP+系列
XFP系列
QSFP+系列
QSFP-DD 系列
OSFP系列
乐鱼·体育-leyu乐鱼online(中国)
光猫
路由器
物联网终端
产品搜索
字体显示:
返回列表
二维码
关注我们
返回顶部